近日,由东北大学轧制技术及连轧自动化国家重点实验室(RAL)装备及工艺技术总负责的包钢CSP生产线超快冷升级改造项目顺利完成热负荷试车,并投入生产。
包钢CSP生产线超快冷采用后置式布置(层流冷却后、卷取机前),主要用于低成本热轧双相钢开发生产。此次技术改造,通过拆除原有“超快冷简易装置”,全新装备东北大学近年来开发成功的成熟完善的热轧带钢超快速冷却装备,旨在提升产品性能和稳定性,实现低成本经济型热轧双相钢系列产品的大批量连续稳定生产。该项目突出的技术难题在于开发具有高强度冷却能力的超快冷设备,满足全系列厚度规格低成本热轧双相钢(厚度规格≤11mm)高组织均匀性的产品开发及生产需求。项目负责人袁国副教授基于超快速冷却机理分析,同时结合多年来在涟钢2250/CSP、迁钢2160、京唐2250等热轧板带钢超快冷系统项目的实践经验,开发出满足需求的后段超快冷系统及工艺技术。
系统改造后,在2013年11月29日进行的系统热负荷试车过程中,即实现稳定的6mm双相钢生产。随后,快速开发出理想的厚规格11mm 热轧双相钢产品生产工艺,并实现批量化生产。经工艺试轧及工业化批量生产实践表明,超快冷系统具有的高强度冷却能力可很好地满足全系列厚度规格低成本热轧双相钢生产工艺需求;冷却后带钢板形良好,过程工艺参数控制精度高,生产连续稳定,真正实现了冷却强度大、装备一流、工艺稳定的既定目标要求,开发形成理想的低成本经济型热轧双相钢生产装备及工艺技术:
- 低成本成分设计:基于相变强化机制;
- 全系列厚度范围覆盖:~11mm;
- 组织优良:全系列规格产品组织均匀性好,软硬相组织清晰、比例匹配及强度合理;
- 屈強比低、综合性能良好:窄性能范围控制:异板性能≤30MPa;取样钢卷同板宽向性能≤10MPa,头尾强度偏差在20MPa以内。
- 冷却均匀,板形及卷形良好;
- 生产连续稳定:大批量连续生产过程及产品性能稳定
热轧双相钢作为包钢CSP热轧线开发生产的高附加值特色产品,此次超快冷系统全面升级改造,将全面提升包钢CSP热轧双相类产品生产质量稳定性,推进产品规格和强度等级系列化、特色化,尤其是在高强度、厚规格等开发与生产方面得到丰富和完善,对进一步增强产品市场竞争力,做大做强包钢热轧带钢双相钢产品将具有重要意义。

升级改造后的CSP超快冷系统

升级改造后的CSP超快冷顺利投产

升级改造后的CSP 6mm 热轧双相钢生产

升级改造后的CSP 11mm 热轧双相钢生产

升级改造后批量生产的热轧双相钢卷

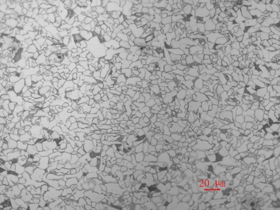
升级改造后生产的6mmDP540金相组织

升级改造后生产的6mmDP540金相组织(Lepera试剂腐蚀)

升级改造后生产的6mmDP540金相组织(SEM)

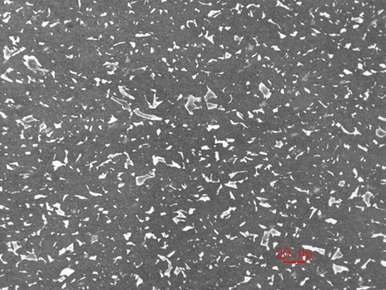
升级改造后生产的11mm厚度双相钢金相组织-心部

升级改造后生产的11mm厚度双相钢金相组织-厚度1/4处

升级改造后生产的11mm厚度双相钢金相组织-表面处
以6mm DP540钢卷取样,板宽方向性能情况如下图所示:

板宽方向取样位置

板宽方向力学性能
另,包钢讯:
薄板厂一技改助推双相钢美誉度提高
11月底,历时两个月的薄板厂CSP生产线双相钢超快冷水梁改造基本完成,开始进入试运行阶段。双相钢超快冷设备投入后,将对包钢双相钢的产能和性能迈上新台阶起到强力助推作用。
热轧双相钢是指由低碳钢或低碳合金钢经过临界热处理、控制轧制工艺而得到的一种高强度且成型性能好的新型冲压用钢。作为一种新的拉伸材料,双相钢因具有更高的延展性已被广泛应用在汽车制造上。具有包钢特色的热轧双相钢兼具高强度和高成型性能以及与冷轧产品相比明显的低成本优势,在国际钢铁制造业及相关行业内一直备受关注,而11毫米DP590双相钢在国内车轮制造业更是一枝独秀,因包钢独家生产而成为明星产品。
近年来,薄板厂CSP生产线双相钢生产一直使用“超快冷简易装置”,原有设施已远远不能满足现有生产能力。CSP生产线超快冷系统改造完成后,通过快速冷却工艺,产品性能和稳定性都将进一步提升,并可减少合金的使用,从而降低生产成本,初步估计每吨可节约成本100元。(代增丽 马浩然 包钢内网新闻)