在开展的系统的悬浮焙烧实验室与半工业试验中,均获得良好的焙烧效果和分选指标,但悬浮焙烧炉的核心装置—U型还原炉腔,因缺乏强有力的理论支撑,一些关键技术问题难以取得突破性进展。悬浮焙烧炉的U型还原炉腔是整个悬浮焙烧炉系统的核心装置,其内部涉及化学反应、矿物转化、多相流动及传热传质等复杂物理化学反应的强烈耦合,因此,开展悬浮焙烧炉还原炉腔内部气固两相流动特性及模拟研究,系统深入地研究还原炉腔内铁矿石颗粒和气体的流动特性,为实现复杂难选铁矿石悬浮焙烧关键技术和工业装备一体化具有重要的现实意义。
根据工业实践中悬浮焙烧炉新型还原炉腔结构,本课题搭建了气固流动冷态试验平台,结合Fluent流体软件进行数值模拟,将矿物加工、冶金和流体力学等多学科交叉有机的结合,系统深入地研究还原炉腔内铁矿石颗粒和气体的流动特性及多因素耦合调控机制,为悬浮焙烧炉U型还原炉腔结构优化、工业放大、过程控制及安全运行奠定基础。本课题的创新点体现在:
(1)研发出兼具还原室和密封阀双功能的U型还原炉腔
基于悬浮流场中蓄热还原的技术原理要求,韩跃新及其研发团队设计出兼具还原室和密封阀双功能的U型还原炉腔结构。
(2)建立U型还原炉腔气固动力学模型
根据系统动力与阻力平衡、质量守恒,运用气固动力学进行分析,建立矿石颗粒在U型还原炉腔气固动力学理论模型,得出各参数对U型还原炉腔运行自适应性及稳定性的影响。对比冷态试验结果,对模型进行验证,并结合数值模拟对其进行优化,得到能准确气固动力学经验模型。
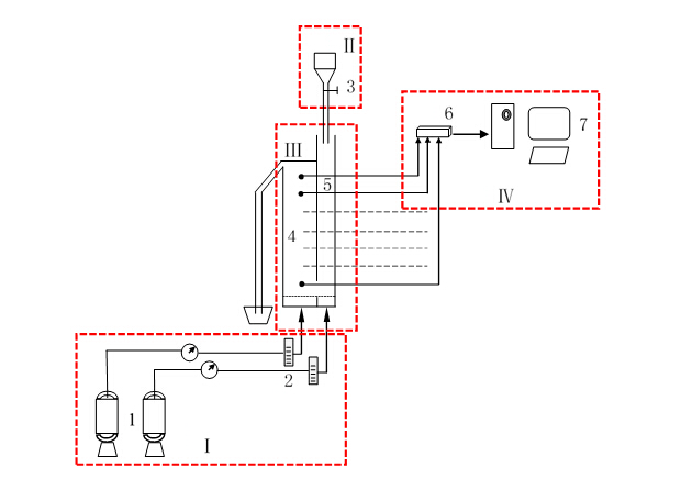
目前课题的进展主要是以下三方面:第一、搭建了悬浮焙烧U型还原炉气固流动特性研究试验系统。该系统由有以下四部分组成:Ⅰ-气体供给系统、Ⅱ-给料系统、Ⅲ-U型还原炉主床、Ⅳ-压力采集与处理系统。第二、试验原料为氧化铝粉。经过筛分得到窄粒级物料,用马尔文激光粒度分析仪测得颗粒的平均粒径、采用比重瓶法测量颗粒的真密度,并通过试验和计算的方式对比临界流化风速。第三、开展了部分探索试验。考察了还原室采样点(6)、(4)和(2)的压力与标准差随流化风速度的变化规律,根据试验结果可得随着流化风速的加大,有更多的物料排出还原室,导致还原室内物料的浓度降低,使得压力下降。另外,标准差的上升,说明压力脉动程度随着风速的加大而变得剧烈,并且还原室上部压力脉动强度要明显大于下部,尤其是测压点(2)的压力脉动变化更剧烈。

▲图1U型还原炉腔气固流动特性试验系统图

▲图2压力与气速关系

